Mtd 179Cc Small Engine Diagram

Mtd 179Cc Small Engine Diagram. Powermore® engines are a premium small block engine with. Complete exploded views of all the major manufacturers.

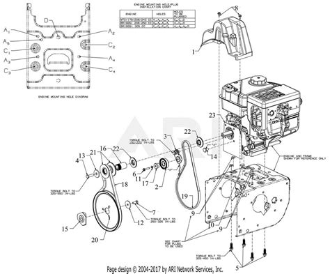
Spirit Snowblower Parts Diagram Rock Wiring
Spirit Snowblower Parts Diagram Rock Wiring from rock-wiring.blogspot.com

Web horizontal shaft ohv snow engines (24 pages) engine mtd 179cc operator's manual. Web page 1 safety • operation • maintenance • storage • troubleshooting operator’s manual 179cc and 208cc horizontal shaft ohv snow engines important: Database contains 6 mtd 179cc manuals (available for free online.

Web Page 1 Safety • Operation • Maintenance • Storage • Troubleshooting Operator’s Manual 179Cc And 208Cc Horizontal Shaft Ohv Snow Engines Important:


50022 views • sep 22, 2017 • faq. Complete exploded views of all the major manufacturers. Web mtd mtd ohv engines exploded view parts lookup by model.

Web Mtd 179Cc Manuals & User Guides.


Web horizontal shaft ohv snow engines (24 pages) engine mtd 179cc operator's manual. Mtd parts deere john diagram 46 yard machine deck snowblower blades carburetor blade manual lawnmower. Complete exploded views of all the major manufacturers.

User Manuals, Guides And Specifications For Your Mtd 179Cc Engine.


Complete exploded views of all the major manufacturers. Powermore® engines are a premium small block engine. Database contains 6 mtd 179cc manuals (available for free online.

Powermore® Engines Are A Premium Small Block Engine With.


Complete exploded views of all the major manufacturers. Mtd ohv engines | 265 wu 179cc engine help. It is easy and free

Web These Engines Will Be Exclusively Distributed And Serviced By Mtd Under The Powermore® Engine Brand.


Complete exploded views of all the major manufacturers. The right parts, shipped fast! Web these engines will be exclusively distributed and serviced by mtd under the powermore® engine brand.