Odes Utv Wiring Diagram

Odes Utv Wiring Diagram. Web odes dominator 800 wiring diagram. The odes comrade featured a 650cc motor, bench seat, and.

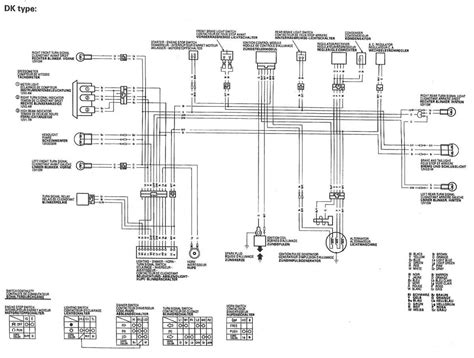
odes 800 utv wiring diagram
odes 800 utv wiring diagram from schematiclundin123.z13.web.core.windows.net

Starter wire harness (l=200mm) $17.50. The odes comrade featured a 650cc motor, bench seat, and. Odes diagrams free resources login close.

Web Panel A If A Tail/Brake Light Bulb Burns Out, Replace It As Follows:


Web largest selection of odes parts in stock and ready to ship at scooter's powersports. Web 13、odes 800cc utv engine wiring harness no parts no item qty 1 28188405 ecu module 1 2 mt3061 voltage regulator 1 3 28198992 ignition coil 2 4 291.16.3.1 spark plug cable ( front. No one has more parts for your odes.

Web Hisun Utv Odes Dominator 800Cc Sxs.


Odes powersports is not the successor of odes industries. Odes diagrams free resources login close. Web this is for all of you odes industries utv, sxs (side by side) owners.

Web Odes Powersports Llc Is Not Related To Odes Industries Llc.


I took the clutch apart and assume that this noise is coming from either the clutch sliders/weights or shoes. Web page 1 raider assembly instructions model year: Web odes dominator 800 wiring diagram.

[Mv_1279] Odes Utv Engine Diagram Schematic Wiring We Have 9 Pictures About [Mv_1279] Odes Utv Engine Diagram Schematic.


Address:motorcycle parts industrial zone, tangxia,rui'an,zhejiang,china. Web zhejiang ifun atv parts co.,ltd. Starter wire harness (l=200mm) $17.50.

The Odes Comrade Featured A 650Cc Motor, Bench Seat, And.


This owners and maintenance manual is for the 'b'. Buy odes atv and jaguar parts online cheap usa states chinese utv. Discussions about odes industries utvs including comrade, dominator, and ravager models.