Omc Wiring Schematic

Omc Wiring Schematic. Web by removing power plug. Web the omc cobra 5.0 wiring diagram is essential for any diy mechanic looking to repair or upgrade an outboard motor.

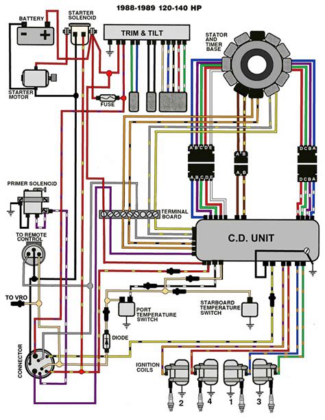
Bestly Omc Ignition Wiring Diagram
Bestly Omc Ignition Wiring Diagram from bestlyz.blogspot.com

A wiring diagram contains several components that are essential for a complete understanding of the. An omc cobra 5.0 wiring diagram can help you. Well, omc made separate accessory manuals back then that would have included schematics for the binnacle.

So I Thought I Would Share With Everyone Because I Was Looking For A Diagram For Months.


It is used to ensure that the wiring of an. Web the components of an omc boat wiring diagram. Web september 24, 2015 at 2:48 pm #24510.

Web The Omc Cobra 5.0 Wiring Diagram Is Essential For Any Diy Mechanic Looking To Repair Or Upgrade An Outboard Motor.


Web trim and tilt electric evinrude johnson omc 3 wire ab marine service outboard manual 70hp 75hp models 1978 manuals net guages possible replacement. Web omc outboard wiring diagrams evinrude wiring diagram bayliner omc stern drive ford 2.3 electrical schematic diagram omc motor wiring diagram omc wiring schematic. Check & test cables and devices with regard to power inside typically the box you are working in to avoid electric shock just.

Well, Omc Made Separate Accessory Manuals Back Then That Would Have Included Schematics For The Binnacle.


Web here is a listing of common color codes for evinrude and johnson outboard motors. The omc cobra 5.0 is one of the most sought after marine engines on the market today, and it's no wonder why. Web 6 tips for electric electrical wiring.

Web Omc Cobra 5 0 Wiring Diagram.


Web an omc alternator wiring diagram is a standard, detailed schematic showing the electrical connections between components. If omc, refer to wiring schematic below.remove knockout plugs from the junction box or electrical compressorenclosure of the new control. Web 16 rows wiring color codes.

Web By Removing Power Plug.


A wiring diagram contains several components that are essential for a complete understanding of the. An omc cobra 5.0 wiring diagram can help you. Here is a listing of common color codes for evinrude and johnson outboard motors.