Omc 57 Engine Diagram

Omc 57 Engine Diagram. Click part numbers to order. Omc sterndrive parts 5.80 liter oem parts diagram for fuel system.

Omc Cobra 57faplkd (5.7 Gi) Got Power to relay, but not to pump. Need
Omc Cobra 57faplkd (5.7 Gi) Got Power to relay, but not to pump. Need from www.justanswer.com

Web omc 57 engine diagram. Years covered (click for year product details) omc 100/2.5l (153), 4 cyl: Web seloc marine engine repair guide and online repair service for omc engines.

Web Yamaha Jet Unit Xl760 Boats Waverunner 1998 Diagram Parts.


The most common components include: Evinrude cooling hose routing parts for 2002 150hp e150fcxsnf outboard. Web jul 16, 2004.

Web This Engine Fires Up Easily When Cold And Runs Strong.


Web an unrestored omc engine | this is a 9 hp, overhead valve, a… | flickr. Need engine wireing diagram for omc. Mercruiser trim sender wiring diagram omc 57 engine diagram.

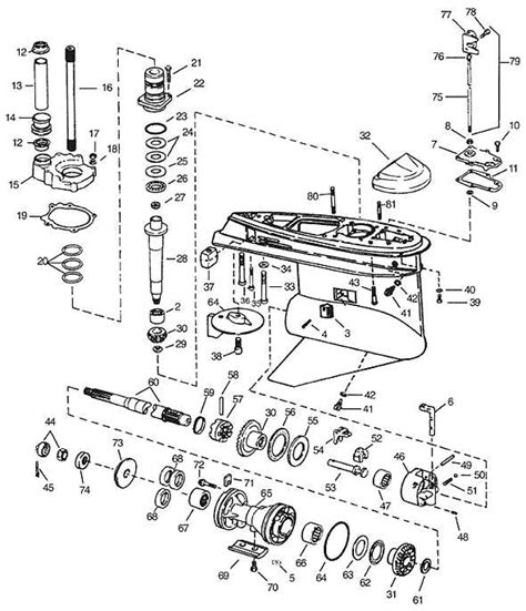
Omc Sterndrive Parts 5.80 Liter Oem Parts Diagram For Fuel System.


Web omc 57 engine diagram. Web parts & diagrams engine information most popular parts parts & diagrams. Web the omc 5.0 engine wiring diagram is an incredibly useful guide, enabling users to gain a better understanding of the many components and connections that.

Web Thousands Of Engine And Drive Parts For All Major Marine Engines And Drives.


The problem is after it warms up and i turn the engine off to pick up a skier etc, she just doesn't want to start. Suzuki outboard 90hp oem parts diagram for ptt switch & engine control www.boats.net. Model numbers are usually found on an id tag on the mounting bracket.

The Purple And Red Wire Is A Resitor Wire From The Output Of The Alternator, That Is Used To Reduce The.


Web the wiring diagram of an omc ignition switch follows a specific pattern. Click part numbers to order. 16 pictures about i have a omc stern drive with a ford v8 with 175 omc on the valve cover :