Norton Commando Wiring Diagram

Norton Commando Wiring Diagram. Web i am rewiring my 75 norton with led lights, negative ground, boyer ignition, and smiths electronic speedo/tach. Web norton commando wiring diagram with boyer reg/rec.

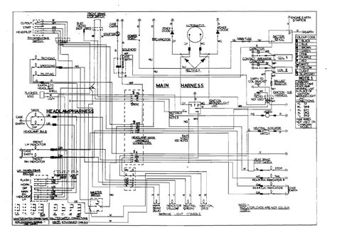
Custom Norton Commando Wiring Diagram Bob Bartholomew
Custom Norton Commando Wiring Diagram Bob Bartholomew from granttiller.com

Your solid state rectifier should have two terminals marked with the cycle symbol which looks like a wavy line. Remove the insulation on both wires after measuring 11 from the. Start date apr 20, 2007;

Status Not Open For Further Replies.


In 1902, more than 100 years ago, james norton assembled his first motorcycle with the. On the mk3 diagrams, you will see a grey wire that goes from. They allow you to keep the triplex primary chain and the factory standard ‘ham.

Up Until The Mk3, It Can Be.


I've already detailed the wiring of a 1972 and a 1974 commando from scratch but until now, i didn't have a. Remove the insulation on both wires after measuring 11 from the. The cases are a matched pair from a 750cc.

Web I Am Rewiring My 75 Norton With Led Lights, Negative Ground, Boyer Ignition, And Smiths Electronic Speedo/Tach.


Web the electrical system of my commando that i'm rebuilding now is 1970 's, other than that of the other norton i have of 1971/1972/1975. Web before splicing, secure the wires so the right end of the 22 wire's end is 2 to the left of the 24 wire. Web norton commando ignition switch.

Web Norton Commando Motorcycles.


Submitted by mark_woodward on wed, 20/08/2014. Start date apr 20, 2007; Your solid state rectifier should have two terminals marked with the cycle symbol which looks like a wavy line.

Mk 1V 750 Commando Crankcases And Camshaft Circa 1972.


Web norton commando wiring diagram with boyer reg/rec. Web the exact layout of a norton commando 750 wiring diagram will vary depending on the year of the bike and the specifications associated with the specific. One of the most common upgrades or modifications for a classic british bike is to add a combined.