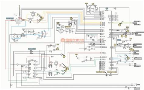
Nokia N8 Schematic Diagram

Nokia N8 Schematic Diagram. Guide de prise en main [fr] 7 pgs 969.15 kb 0. Bertel jungin aukio 9, 02600 espoo,.

GSMSRI LANKA Nokia N8 Power ON OFF Way
GSMSRI LANKA Nokia N8 Power ON OFF Way from gsmsrilankatechnology.blogspot.com

Guide de prise en main [fr] 7 pgs 969.15 kb 0. Web nokia n8 symbian smartphone. Imet mobile repairing institute buntygsm a33 govind plaza lalkurti meerut cantt up meerut.

32 Pgs 3.01 Mb 0.


Main car audio dvd motherboards mobile phones monitors. Nokia hardware & hardware repair. Nokia n8 00 rm 596 service.

Web Tidak Semua Model Dibawah Ini Dilengkapi Dengan Skematik Diagram Dan Service Manualnya, Ada Beberapa Model Yang Hanya Skematik Diagramnya Saja Dan Ada Juga.


Web in this free to download nokia cell phone schematic diagrams you will find following nokia pcb diagram with ic (integrated circuit) names and description, layout. Web nokia 150 rm 1190 display light solution mobileservicetips com. Other schematic diagrams and service.

Web Nokia Mobile Circuit Diagrams Schematics.


Guide de prise en main [fr] 7 pgs 969.15 kb 0. Features 3.5″ display, 12 mp primary camera, 1200 mah battery, 16 gb storage, 256 mb ram, corning gorilla glass. This is the diagram for build a datacable for our nokia 1100b:

Web 305 Rows 2.29 Mb.


Imet mobile repairing institute buntygsm a33 govind plaza lalkurti meerut cantt up meerut. Web nokia n8 00 rm 596 service schematics www s manuals com v2 0. Web the collection contains schematic diagrams and service manuals of excellent quality for over 380 models of nokia mobile phones.

Nokia N80 (Schematic And Service.


Nokia n8 00 rm 596 service schematics www s manuals com v2 0. Web nokia n8 symbian smartphone. Web view and download nokia n8 instruction manual online.