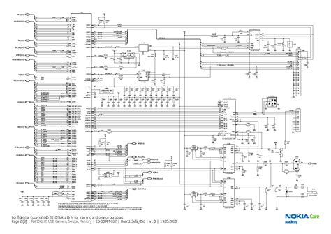
Nokia E5 Schematic Diagram

Nokia E5 Schematic Diagram. Before writing any thread here try to check the frequently. Web nokia hardware & hardware repair all what you need for hardware repairing for nokia phones.

nokia e5 schematic diagram
nokia e5 schematic diagram from circuitfixluna.z21.web.core.windows.net

Before writing any thread here try to check the frequently. Nokia e51 (schematic and service. B c2089 e4 c3024 f9.

B C2089 E4 C3024 F9.


If you have any question about repairing write your question to the message board. Web with other documents such as the service manual and published version for this document. Web tidak semua model dibawah ini dilengkapi dengan skematik diagram dan service manualnya, ada beberapa model yang hanya skematik diagramnya saja dan ada juga.

Web The Nokia 105 Schematic Diagram Pdf Is A Great Tool For Anyone Who Wants To Understand The Inner Workings Of The Phone.


Web 305 rows 2.29 mb. Nokia e51 (schematic and service. By studying the diagram, we can gain an.

Other Schematic Diagrams And Service.


Web the collection contains schematic diagrams and service manuals of excellent quality for over 380 models of nokia mobile phones. Before writing any thread here try to check the frequently. Web nokia hardware & hardware repair all what you need for hardware repairing for nokia phones.