Nokia C2 Schematic Diagram

Nokia C2 Schematic Diagram. Web tidak semua model dibawah ini dilengkapi dengan skematik diagram dan service manualnya, ada beberapa model yang hanya skematik diagramnya saja dan ada juga. Web audio amplifier using lm386 build circuit.

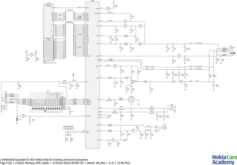
NOKIA C203 C206 C208 RM702 SERVICE SCHEMATICS V1.0 Service Manual
NOKIA C203 C206 C208 RM702 SERVICE SCHEMATICS V1.0 Service Manual from elektrotanya.com

Web 305 rows 2.29 mb. You are currently viewing our boards as a guest which gives. Web in this free to download nokia cell phone schematic diagrams you will find following nokia pcb diagram with ic (integrated circuit) names and description, layout.

Web Nokia 206 Dual Sim/2060.


Main car audio dvd motherboards mobile phones monitors laptops. Web tidak semua model dibawah ini dilengkapi dengan skematik diagram dan service manualnya, ada beberapa model yang hanya skematik diagramnya saja dan ada juga. Web audio amplifier using lm386 build circuit.

Main Car Audio Dvd Motherboards Mobile Phones Monitors.


Web in this free to download nokia cell phone schematic diagrams you will find following nokia pcb diagram with ic (integrated circuit) names and description, layout. You are currently viewing our boards as a guest which gives. Nokia c2 00 service manual pdf download.

Web 305 Rows 2.29 Mb.


Diagram technical documentation for amateurs and.