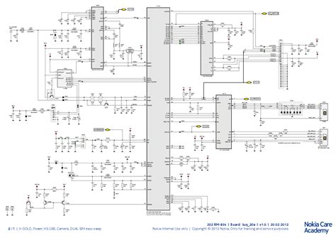
Nokia 202 Schematic Diagram

Nokia 202 Schematic Diagram. Other schematic diagrams and service. Web service manuals, schematics > mobile phones > nokia.

Nokia Asha 202 grounded!!![DONE] GSMForum
Nokia Asha 202 grounded!!![DONE] GSMForum from forum.gsmhosting.com

Scribd is the world's largest social reading and publishing site. Web skema diagram sony ericsson (sony ericsson schematic diagram) skema sony ericsson c902. Main car audio dvd motherboards mobile phones monitors laptops printers tablets tvs datasheets.

Nokia Hardware & Hardware Repair.


Please use the document together. Web skema diagram sony ericsson (sony ericsson schematic diagram) skema sony ericsson c902. With other documents such as the service manual and.

Other Schematic Diagrams And Service.


Web 320 rows nokia 202 (schematic) 0.50 mb. Scribd is the world's largest social reading and publishing site. Web this document is intended for use by authorized nokia.

Main Car Audio Dvd Motherboards Mobile Phones Monitors Laptops Printers Tablets Tvs Datasheets.


By studying the diagram, we can gain an. Asha 200 cell phone pdf manual download. Nokia 300 (schematic and service manual.

Web The Nokia 105 Schematic Diagram Pdf Is A Great Tool For Anyone Who Wants To Understand The Inner Workings Of The Phone.


Web service manuals, schematics > mobile phones > nokia. Web view and download nokia asha 200 service manual online. Web the collection contains schematic diagrams and service manuals of excellent quality for over 380 models of nokia mobile phones.

Web Title File Size Link ;


Web in this free to download nokia cell phone schematic diagrams you will find following nokia pcb diagram with ic (integrated circuit) names and description, layout. Schematic diagram nokia 1100 : Web nokia mobile circuit diagrams schematics.