Nissan Frontier Wiring Schematic

Nissan Frontier Wiring Schematic. Web air conditioning 2.4l 2.4l, manual a/c wiring diagram, with 2 dial a/c for nissan frontier se 2000 2.4l, manual a/c wiring diagram, with 3 dial a/c for. Other 2001 nissan frontier manuals:

CC904 Trailer Wiring Diagram For Nissan Frontier Digital Resources
CC904 Trailer Wiring Diagram For Nissan Frontier Digital Resources from www.pinterest.com

Other 2001 nissan frontier manuals: Get access all wiring diagrams car. Web posted on 24 mar, 2015 by dash.

Web Our Nissan Automotive Repair Manuals Are Split Into Five Broad Categories;


Other 2001 nissan frontier manuals: For example , when a. Get access all wiring diagrams car.

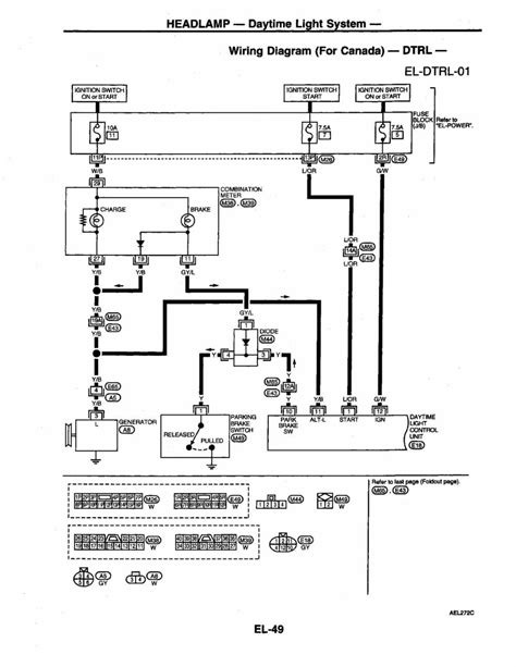
Web 2.4L, Engine Performance Wiring Diagrams (1 Of 3) For Nissan Frontier Xe 1998.


Get access all wiring diagrams car. To properly read a wiring diagram, one has to know how the components within the method operate. Get access all wiring diagrams car.

Web Posted On 24 Mar, 2015 By Dash.


Web nissan frontier trailer wiring diagram. Web 4.0l, engine performance wiring diagram (3 of 4) for nissan frontier nismo 2008. Web 2.5l, engine performance wiring diagram (2 of 4) for nissan frontier se 2010.

Get Access All Wiring Diagrams Car.


Web air conditioning 2.4l 2.4l, manual a/c wiring diagram, with 2 dial a/c for nissan frontier se 2000 2.4l, manual a/c wiring diagram, with 3 dial a/c for. Web air conditioning 2.4l 2.4l, manual a/c wiring diagram for nissan frontier s/c 2001 heater wiring diagram for nissan frontier s/c 2001 3.3l 3.3l,. Web 2.5l, engine performance wiring diagram (2 of 4) for nissan frontier xe 2007.

Nissan Workshop Manuals, Nissan Owners Manuals, Nissan Wiring Diagrams, Nissan Sales.