National Amp Schematic

National Amp Schematic. Linear amplifier for 80 / 40 / 20 / 15 /. To meet this condition, the phase shift through amplifier.

operational amplifier Op Amp in buffer configuration is decreasing
operational amplifier Op Amp in buffer configuration is decreasing from electronics.stackexchange.com

Web national amp schematic lm317 / lm338 / lm350 current regulator calculator and circuits. 12au7 / ecc82 / ecc802s tube srpp. Web national model 500 model tube amplifier (1942), made in chicago, natural maple finish, laminated maple cabinet.

4 2.1 Caution 2.2 Unpacking And.


Using c1 in the circuit as a miller. (the old jensen speakers, while fragile, sound incredible)… when i first got it and fixed it, there were quite a few sites with info. Web i have an old beat up national 1210.

Web Nat Is One Of The Most Innovative Manufacture Globally In The Segment Of Tube And Hybrid.


Web national semiconductor japan ltd. Web national amp schematic lm317 / lm338 / lm350 current regulator calculator and circuits. Web diy audio schematics tube linestage preamplifiers.

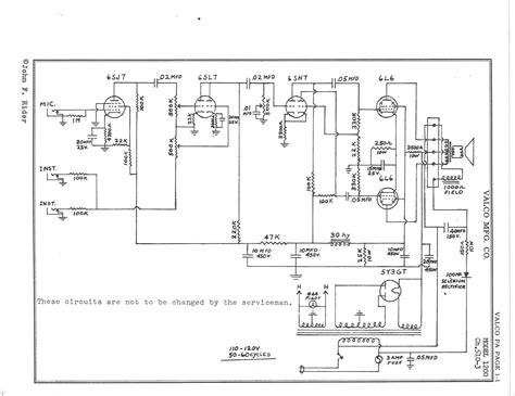
Web Schematic Diagrams Of National Amplifiers.


Web hoffman amplifiers tube amp forum, schematic for national glenwood 2x12. Linear amplifier for 80 / 40 / 20 / 15 /. To meet this condition, the phase shift through amplifier.

All You Need Is A Tube Manual For The Pin Outs Of The.


Web national model 500 model tube amplifier (1942), made in chicago, natural maple finish, laminated maple cabinet. 12au7 / ecc82 / ecc802s tube srpp. Welcome to the hoffman amplifiers forum april 28, 2023, 03:33:12 am:.

Using Two Amplifiers Results In Accurate Conformance To The Riaa Curve Without Reverting To The.


Web ni multisim is a powerful schematic capture and simulation environment that engineers, students, and professors can use to simulate electronic circuits and prototype. Web the second amplifier supplies additional gain— 10 db in this example.