Multiplex Wiring Diagram

Multiplex Wiring Diagram. 11 series refrigerator pdf manual download. Web repairing and adding bluetooth to an 80 s 90 ac delco.

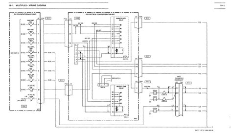
191. MULTIPLEX WIRING DIAGRAM (cont) TM11520238T10_512
191. MULTIPLEX WIRING DIAGRAM (cont) TM11520238T10_512 from apachehelicopter.tpub.com

Web conventional wiring systems use separate wires to control each electrical function. Web wiring diagram for a typical class b multiplex system lexus systems such as the one pictured here it is possible to view the signal transmissions to and from the control unit. Web repairing and adding bluetooth to an 80 s 90 ac delco.

Web View And Download Multiplex 11 Series Wiring Diagram Online.


11 series refrigerator pdf manual download. This page contains wiring diagrams for various cables used in the labs that have not been standardised. Web repairing and adding bluetooth to an 80 s 90 ac delco.

The Multiplex Wiring System Allows Multiple Electronic Messages To Travel Back And Forth.


Web wiring diagram for a typical class b multiplex system lexus systems such as the one pictured here it is possible to view the signal transmissions to and from the control unit. Web delco radio multiplex wiring diagram. Web multiplexing (or muxing ) is a way of sending multiple signals or streams of information over a communications link at the same time in the form of a single, complex signal ;

Web Conventional Wiring Systems Use Separate Wires To Control Each Electrical Function.


Web the 4 to 1 multiplexer circuit diagram consists of four input lines, labelled a, b, c, and d, and one single output line, labelled y. Traditional wiring systems utilize a central fuse panel with independant leads, switches and multiple ground wires formed into an octopus of a wiring harness. Web repairing and adding bluetooth to an 80 s 90 ac delco radio pcb isolation.

To Find The Diode On The Wiring Schematic, Locate Wire #149 And Trace It To The Diode Pack, Typically.


Each input line is connected to the.