Mule Electrical Wiring

Mule Electrical Wiring. Web the kawasaki mule wiring schematic is a comprehensive and comprehensive look at the electrical system of the vehicle. Web when it comes to wiring diagrams for kawasaki mules, there are two main types:

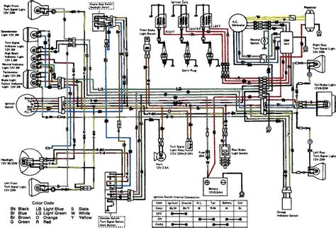
Kawasaki Mule 610 Electrical Wiring Kawasaki Mule 610 Wiring Diagram
Kawasaki Mule 610 Electrical Wiring Kawasaki Mule 610 Wiring Diagram from diyonline47.blogspot.com

Web kawasaki mule 4010 wiring diagrams offer the ability to identify and troubleshoot electrical components in an efficient and effective manner. Web the wiring schematic of the kawasaki mule 2510 is an essential piece of information for anyone working on the unit. Web kawasaki mule 4x4 ignition wiring diagram yamaha rhino wiring diagram kawasaki mule wiring schematic kawasaki mule kawasaki mule trans 4x4 manual.

It Shows All Wiring Diagrams,.


Now as far as kawasaki teryx wiring issues go, some of them can be self inflicted. Web in a 2005 kawasaki mule 610's wiring diagram, one can expect to find complete representations of the connections between the various electrical components. Web kawasaki mule 4x4 ignition wiring diagram yamaha rhino wiring diagram kawasaki mule wiring schematic kawasaki mule kawasaki mule trans 4x4 manual.

Web Chassis Electrical Equipment E.


Understanding the schematic can be. Web from replacement ignition coils and stator replacements to aftermarket utv batteries and wire kits, find all the replacement kawasaki mule electrical parts you seek at everything. Web i am working on a kawasaki mule diesel i have a kaf a1 mule.kawasaki mule wiring diagram free ~ welcome to our site, this is images about kawasaki mule.

A Guide To The 2007 Kawasaki Mule 3010 Schema The Kawasaki Mule 3010 Utv, Or Utility Task Vehicle, Was Released.


0 mule 610 4x4 chassis electrical equipment parts diagram author: Many owners have told us about faulty. Web unearthing the mysteries of mule wiring:

Web The Wiring Schematic Of The Kawasaki Mule 2510 Is An Essential Piece Of Information For Anyone Working On The Unit.


From farmers and ranchers to hunters. Web the kawasaki mule wiring schematic is a comprehensive guide for anyone looking to repair or understand their vehicle’s electrical system. 0 mule 2510 4x4 chassis electrical equipment parts diagram author:.

Web For The Kawasaki Mule 4010, The Wiring Diagram Includes The Following Key Features:


Schematic diagrams are simpler to. Web when it comes to wiring diagrams for kawasaki mules, there are two main types: Schematic diagrams and circuit diagrams.