Mule 550 Wiring

Mule 550 Wiring. 300px x 300px file size: Web the wiring diagram, of a kawasaki mule, 550, can be obtained from most kawasaki dealerships.

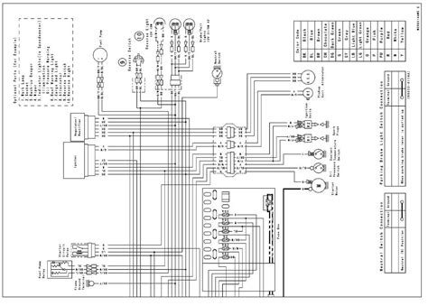
Kawasaki Mule 550 Wiring Diagram Kawasaki Mule Pro Wiring Diagram
Kawasaki Mule 550 Wiring Diagram Kawasaki Mule Pro Wiring Diagram from schematica71.blogspot.com

Web the wiring diagram, of a kawasaki mule, 550, can be obtained from most kawasaki dealerships. Web as long as button is pushed, starter will turn, it has nothing to do as far as turning the ignition on and off, ask your own agriculture and farm equipment question. Web 2001 kawasaki mule 550 — owner's manual.

Ignition Coils Consist Of Primary And Secondary Coils.


Web kawasaki genuine parts are the only parts on the market specifically engineered and tested to fit your kawasaki vehicle. Test yours with a multimeter and i suspect you will find the. You can test the coil and battery using a digital multimeter.

300 X 300 · Jpeg.


0 mule 550 chassis electrical equipment parts diagram author: View online or download kawasaki mule 550 2003 service manual. Web kawasaki mule 550 wiring diagram database.

How Can I Get A Wiring Diagram For A 2000 Kawasaki Mule 550?


Web problems starting a kawasaki mule 550 all terrain vehicle (atv) usually stem from a bad ignition coil or battery. Web problems starting a kawasaki mule 550 all terrain vehicle (atv) usually stem from a bad ignition coil or battery. They undergo comprehensive evaluation to ensure the.

Install An Outlet Appropriately And It's.


Web kawasaki mule 550 2003 pdf user manuals. Web kawasaki mule ignition wire ing diagram can t figure where bulk yellow go on also engine kill. Posted on 27 jun, 2016.

Web Wide Open® Custom Ignition Switch (Ks1401W) 0.


Since most folks appear to be interested in where the front/rear poweroutlets and the. Restoring electrical wiring, a lot more than any other house project is all about security. Kawasaki mule 550 wiring diagram | free wiring diagram resolution: