Mtd Solenoid Wiring Schematic

Mtd Solenoid Wiring Schematic. Not only does it provide a. Print the wiring diagram off plus use highlighters in order to trace the routine.

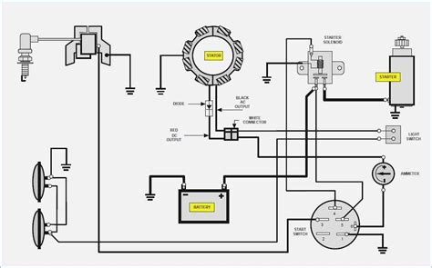
mtd 10 hp wiring diagram
mtd 10 hp wiring diagram from engineschematicadam.z21.web.core.windows.net

50022 views • sep 22, 2017 • faq. Electrical wiring diagrams may be found in the operator's manual. Web both model number and serial number are required.

Web The Mtd Starter Solenoid Wiring Diagram, Tips, And Regularly Asked Questions Are All Readily Available Here.


Web mtd starter solenoid wiring diagram. We have made this page for people looking for a mtd. Mtd ward yard man starter solenoid 725 1426 925 1426.

We Create This Page For Someone Who Looking For.


It’s easy to get confused about the wiring diagrams and schematics. Electrical wiring diagrams may be found in the operator's manual. Not only does it provide a.

Please Click Here If You Need Help Locating Your Model Number Or Your Serial Number.


Web mtd 13a 328 129 12022 parts diagram for wire. Wiring diagram mtd lawn tractor. Riding mower won t start doityourself com community forums.

To Properly Read A Wiring Diagram, One Offers To Find Out How Typically The Components Within The System Operate.


Web a mtd yard machine wiring diagram is a great tool to have on hand when you are troubleshooting a problem with your machine. Web wiring diagram for mtd riding lawn mower from az417944.vo.msecnd.net. Mtd 13bt604g401 2004 parts diagram for.

Web Both Model Number And Serial Number Are Required.


Web mtd lawnflite 136 504 122 electrical electric start. Web +27 mtd solenoid wiring diagram 2022. Mtd minirider 60 e 13b4054 400 2009 electric parts wiring diagram spareparts 725 1426a starter.