Mtd Gold Wiring Schematic

Mtd Gold Wiring Schematic. Web not only does it provide a schematic of the wiring, but it also provides a detailed explanation of how each wire is connected. Mtd 13ac76lf055 2011 wiring diagram.

Briggs And Stratton Mtd Yardmachine Wiring Diagram
Briggs And Stratton Mtd Yardmachine Wiring Diagram from schematron.org

Web not only does it provide a schematic of the wiring, but it also provides a detailed explanation of how each wire is connected. Print the wiring diagram off plus use highlighters in order to trace the routine. Mtd custom preamp wiring diagram bartolini pickups electronics.

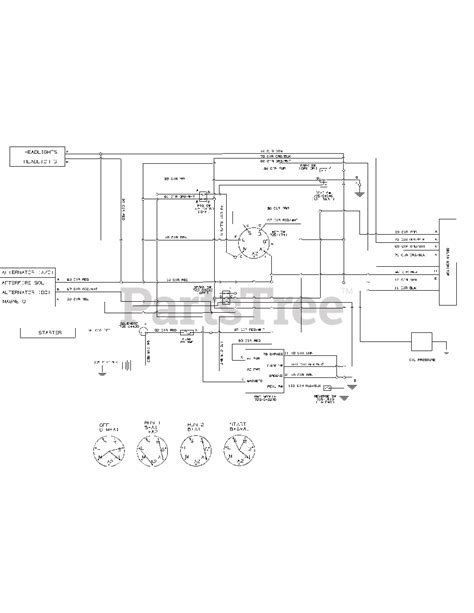
Web Mtd 13Ax795S004 2011 Wiring Diagram Gold.


Mtd 133k676f190 lt 12 1993 parts diagram for wiring schematic. 50022 views • sep 22, 2017 • faq. Complete exploded views of all the major manufacturers.

Web Mtd 13A 328 129 12022 Parts Diagram For Wire.


Please click here if you need help locating your model number or your serial number. Rewire mtd yard machine lt b s 42a707 doityourself. Mtd gold | 14 garden.

A Schematic Reveals The Plan And Function Of An Electrical Circuit However Is Not Concerned.


Mtd custom preamp wiring diagram bartolini pickups electronics. Web distinction in between wiring diagram, schematic, and pictorial diagram. Mtd 660 ilrated parts manual pdf manualslib.

Mtd Lawn Tractors Minirider 60 Rd 13A625Ec600.


Web mtd 13a 325 190 yard bug 12022 wiring diagram. Web both model number and serial number are required. Mtd 13ac76lf055 2011 wiring diagram.

Mtd Lawn Tractors 742 Rl 13An772S329 2010 Wiring Diagram.


Web wiring diagram for mtd riding lawn mower from az417944.vo.msecnd.net. Web mtd yard machine wiring diagrams are essential tools for any diyer or homeowner looking to maintain, repair, or upgrade their outdoor power equipment. Complete exploded views of all the major manufacturers.