Mtd Engine Wiring Diagram

Mtd Engine Wiring Diagram. Web from the engine to the headlights, every component is included in this diagram and you can easily follow the directions to properly wire the mower. Web electrical wiring diagrams may be found in the operator's manual.

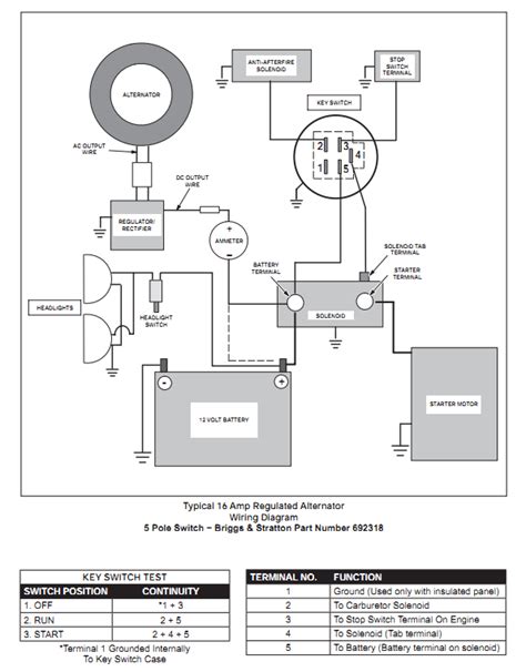
Briggs And Stratton Mtd Yardmachine Wiring Diagram
Briggs And Stratton Mtd Yardmachine Wiring Diagram from diagramweb.net

Web if you own a mtd rider, then you probably already know how important the wiring diagram is to keep your machine running smoothly. Web garden tractor starter solenoid explained including kill switch systems. Web understanding the wiring diagram for your mtd yard machine can be intimidating at first.

December 6, 2022 By Jenny Fresh.


50022 views • sep 22, 2017 • faq. Web 547 cc efi ohv vertical shaft engine. Web mtd 14au844h401 (1998) wiring diagram parts diagram.

Attach Battery Case To Handle.


Web from the engine to the headlights, every component is included in this diagram and you can easily follow the directions to properly wire the mower. Web garden tractor starter solenoid explained including kill switch systems. Web can't find your part?

Disconnect Charger From Outlet And Wall.


Web schematic wiring diagram mtd yard bug. Web mtd 13ah660f352 12022 parts diagram for electrical. But with the right guidance and some patience, you can quickly learn.

Mtd 139 652 000 1989 Parts Diagram For Electrical.


Web mtd yard machine wiring diagrams are essential tools for any diyer or homeowner looking to maintain, repair, or upgrade their outdoor power equipment. Web understanding the wiring diagram for your mtd yard machine can be intimidating at first. Battery, front wheels, front axle & steering assembly.

Web If You Own A Mtd Rider, Then You Probably Already Know How Important The Wiring Diagram Is To Keep Your Machine Running Smoothly.


Read and follow all safety rules and instructions in this manual. Web mtd lawnflite 136 504 122 electrical electric start. Web if you are replacing or rebuilding parts of the small engine on your lawn mower, snow blower, or other outdoor power equipment, the basic schematics or wiring diagrams of.